欢迎光临~hd13bx刀开关

双电源、浪涌保护器、火灾监控器

  • CRQ3-100-800系列双电源开关万高型
CRQ3-100-800系列双电源开关万高型

CRQ3-100-800系列双电源开关万高型

注:控制器类型可选 A型:其功能包括:手动-自动转换、失压与断相转换、转换延时设置。

 B型:其功能包括:手动-自动转换、失压、欠压、超压与断相转换、转换延时设置,提供发电机启动触头,LED显示。可增加消防

 “切非”

 D型:其功能包括:手动-自动转换、转换延时设置,提供发电机启动 触点,LCD显示,中文界面。可增加消防“切非”,通讯接口 

二次接线图,极大 方便工程设计。建议采用左图方式标图。

  

 具有隔离功能可靠触头指示

?所有断路器隔离功能应符合IEC60947-2标准:

?隔离位置对应于“0”(OFF位置)。

?只有触头真正打开,操作手柄才能指示“OFF”位置 

?触头打开,才可以安装挂锁。旋转手柄或电动机构不会改变触头指示系统的可靠性。

 ?隔离功能保证:

-触头指示系统的机械可靠性

-无漏电电流

-进出线端子之间的过电压耐受能力

产品功能解释

?自投自复:当常用电源正常时,控制器发出指令,常用电源控制断路器合,备用电源控制断路器分,自动换开关 电器处于(1,0)当常用电源异常时,控制器发出指令,常用电源控制断路器分,备用电源控制断路器分,自动转换 开关电器处于(0.1)当常用电源恢复正常时,控制器发出指令,常用电源控制断路器合,备电源控制断路器分,自 动转换开关电器又处于(1,01状态。

?自投不自复:当常用电源正常时,控制器发出指令,常用电源控制断器合,备用电源控制断路器分,双电源自动 转换开关处于(1,0)当常用电源异常时,控制器发出指令,常用电源控制断路器分,备用电源控制断路器合。

双电源自动转换开关处于(0,1)当常用电源恢复正常时,自动转换开关电器仍处于(0,1)状态,只有操作复位按钮才能 使常用电源控制断路器合,备用电源控制断路器分,双电源自动切换装置又处于(1,0)状态。

?互为备用:当常用电源正常时,控制器发出指令,常用电源控制断路器合,备用电源控制断路器分,双电源自动 转换开关处于(1,0)当常用电源异常时,控制器发出指令,常用电源控制断路器分,备用电源控制断路器合。

   双电源自动切换装置处于(0,1)当常用电源恢复正常时,自动转换装置电器仍处于(0,1)状态,只有备用电源断电,才 能使常用电源控制断路器合,备用电源控制断路器分,双电源自动切换装置又处于(1,0)状态。

?指令(消防I复位(消防指令切非h无论双电源自动切换装置处于何种状态,消防中心发出切非指令,使双电源自动 切换装置常用电源控制断路器和备用电源控制断路器全部分闸,幵关处于(0,0)状态。

?反馈信号:反映双电源自动切换装置两台控制断路器工作状态的信号,一般从控制断路器辅助触点取出信号。 

?电网-电网:双电源自动切换装置电源取自两路电网电源。

?电网-发电机:双电源自动切换装置电源取自电网电源和发电机。

?联络型:联络型双电源自动切换装置有三台塑壳断路器组成。其中,QA和QB塑壳断路器分别由两路电源或两段 母线电源供给,QC塑壳断路器在QA及QB输出端联络。当其中任意一路电源出现故障,该断路器分闸,QC断路器 重新合闸。双电源自动切换幵关恢复正常工作。

A型控制器

A型控制器置于自动转换装置内部,根据工作电源电压是否正常,决定是否进行电源切换。 

?自动/手动工作方式切换 -自动操作:将自动/手动切换装置置于自动位 -手动操作:将自动/手动切换装置置于手动位

 ?延时时间及工作状态的设定(调整拨码幵关的位置,详见表-)

-转换延时tl: 0,5,15,30s;

-返回延时tl: 0,5,15,30s;

-工作状态:自投自复、互为备用、自投不自复

A型控制器动作参数设置                       表一

 

工作状态设置

转换延时设置

返回延时设置

K1

K2

工作状态

K3

K4

K5 

延时时间(s)

K6

K7

K8

延时时间(s)

OFF

OFF

自投自复

OFF

OFF OFF

OFF

0

OFF

OFF

OFF

0

OFF

ON

互为备用

OFF

OFF 

ON

5

OFF

OFF

ON

5

ON

ON

自投不自复

OFF

 ON

ON

15

OFF

ON

ON

15

ON

ON

ON

30

ON

ON

ON

30

 

 

B型控制器

B型控制器位于装置外部,功能丰富

?根据工作电源电压是否在所设定正常范围内,以及自动转换幵关所处的工作方式决

  定是否进行电源转换。

 ?备用发电机组的启停控制

 ?方便的按键式手动强制转换动作 

?消防联动功能(可选模块)



CRQ3A-100-250

CRQ3B-100-630

线图

型号

外形尺寸

安装尺寸

L(3P、4P)

W(3P、4P)

H(3P、4P)

L1(3P、4P)

W1(3P、4P)

D(φ)

CRQ3A-100

430/500

200

140

400/470

155

6.5

CRQ3A-160

430/500

200

140

400/470

155

6.5

CRQ3A-250

430/500

200

140

400/470

155

6.5

CRQ3B-100

502/572

202

140

470/540

170

7

CRQ3B-160

502/572

200

140

470/540

170

7

CRQ3B-250

502/572

200

140

470/540

170

7

CRQ3B-400

620/710

277

192

590/680

245

9

CRQ3B-630

620/710

277

192

590/680

245

9

CRQ3D-100

430/500

185

140

400/470

155

6.5

CRQ3D-160

430/500

185

140

400/470

155

6.5

CRQ3D-250

430/500

185

140

400/470

155

6.5

CRQ3D-400

600/680

275

190

570/650

245

9

CRQ3D-630

600/680

275

190

570/650

245

9

 

 

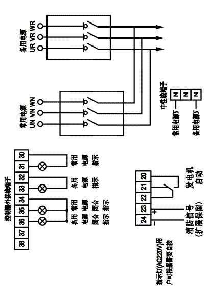
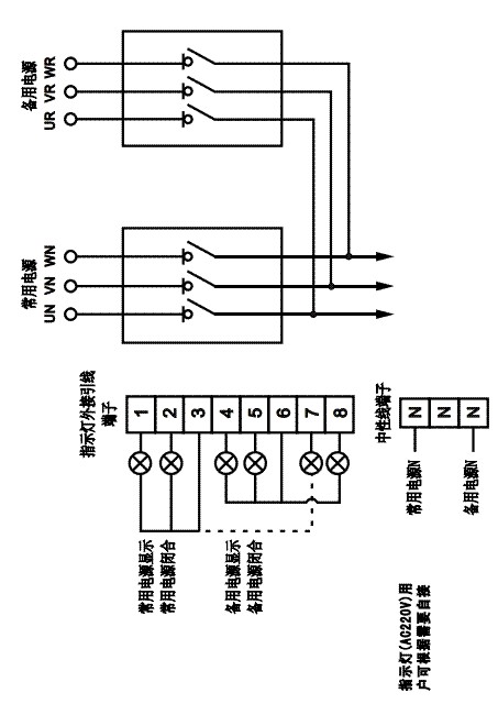
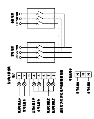
CRQ3A-100-250  3CB开关接线图


CRQ3A-100-250  4CB开关接线图

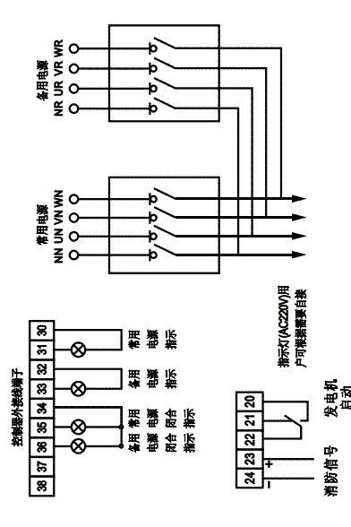
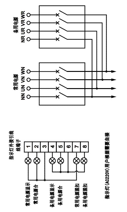
CRQ3B-100-630  3CB开关接线图

CRQ3B-100-630  4CB开关接线图

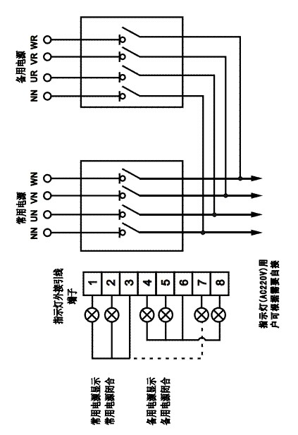
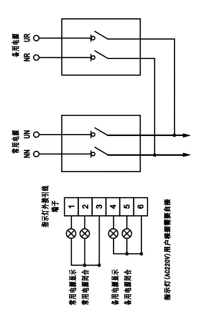
CRQ3A-32~100  2PC开关接线图

CRQ3A-32~250  3PC开关接线图

CRQ3A-32~250  4PC开关接线图

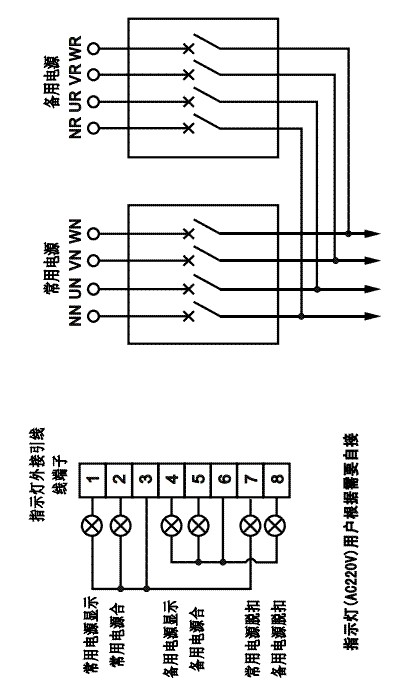
CRQ3B-32~100  3PC开关接线图

CRQ3B-32~100  4PC开关接线图

注:CRQ3A-32~100(PC)负荷开关接线图中实线部分对应,虚线部分仅适用于CRQ3A-32~250(PC) 负荷开关产器,两者的不同在后者负载电流达到10KA,提供能量跳闸保护,外接了一个故障指示选项.