欢迎光临~hd13bx刀开关

断路器

  • DZ20塑料外壳式断路器
DZ20塑料外壳式断路器

DZ20塑料外壳式断路器

注:1.表中所列规格用户根据需要选取,但在一台断路器中不应超过表中每格中所规定的项目。

2.辅助触头400A及以上为二常开二常闭,225A以下为一常开一常闭。

3.断路器有欠电压脱扣器和分励脱扣器。其电压规格交流有220V、380V,直流有110V、220V供四种。欠压脱扣器电压仅有交流规格。

4.报警触头均为一常开、一常闭触头;

5.壳架等级100A、225A中无248、258、278、348、358、378的规格。

*复式脱扣器——为带瞬时脱扣器和热脱扣器的脱扣器。

DZ20塑壳断路器是以Y型为基本产品,由绝缘外壳、操作机构、触头系统和脱扣器四个部分组成。断路器的操作机构具有使触头快速合闸和分断的功能,其“合”“分”“再扣”和“自由脱扣”位置以手柄位置来区分。

C型、J型和G型断路器是在Y型基本产品基础上派生设计而成(除C型160A外)。J型断路器是将Y型断路器的触头进行结构改进,使之在短路情况下,在机构动作之前,动触头能迅速斥开,达到提高通断能力的目的。

G型断路器是在Y型断路器的底板后串联的一个平行导体组成的斥力限流触头系统,该系统比J型的斥力触头长,断开距离也大,因此能更迅速的限流。

四级断路器中性极(N)不装脱扣元件,位于最右侧位置。在分合过程中,中性极规定为闭合时较其他三级先接触,分闸时较其他三级后断开。

C型断路器是为满足630KVA及以下变压器电网中的配电保护之需要,通过先用经济型材料的简化结构及改进工艺等办法,能够达到较好的经济效果。

.DZ20系列断路器主要技术性能


(1)各部件主要技术参数 (1)瞬时脱扣器整定电流Ir:

注:C型瞬时脱扣器整定电流Ir=10In。

(2)配电用反时限特性见表1,电动机保护用反时限见表2

(3)分励脱扣器:短时工作制。额定控制电源电压:AC220、380V,DC110、220V

(4)欠电压脱扣器:额定工作电压:AC220,380V。在电源电压等于或大于85%Ue时能保证断路器可靠闭合,当电源电压低于35%Ue时能防止断路器闭合,当电源电压为(70%~35%)Ue时,断路器能可靠断开。

(5)报警触头:额定工作电压:AC220V,约定发热电流:1A

(6)辅助触头:在不装欠电压脱扣器和分励脱扣器时,可装辅助触头。辅助触头额定值见表3;接通和分断能力见表4;电寿命试验参数见表5;寿命次数为印50次。

表4

注:表中225A及以下Pe=30W,400A及以上Pe=45W。P=Ue·Ie为稳定状态功率损耗(下同)

表5

注:表中225A及以下Pe=30W,400A及以上Pe=45W

DZ20塑壳断路器(空气开关)的外部附件

1.电动操作机构有关参数及断路器安装电动操作机构后总高度H见表。

型号

DZ20Y、J-100

DZ20G-100

DZ20Y、J-225

DZ20G-225

DZ20Y-400

DZ20J-400
DZ20Y、J-630

DZ20G-400

DZ20Y、J-1250

高度H

185

235

220

305

230

245

345

275

结构形式

电磁铁

电动机

?

电压规格

AC50Hz、220V、380V

注:带电动操作机构的断路器脱扣跳闸后,电动操作机构必须使断路器再扣,然后才能合闸!

2手动操作机构安装尺寸见表.

型号

DZ20Y、J、G-100

DZ20Y、J、G-225

DZ20Y-400

DZ20J、G-400
DZ20Y、J-630

安装尺寸H

55

85

105

80

操作手柄相对于断路器中心X值

0

0

0

0

型号

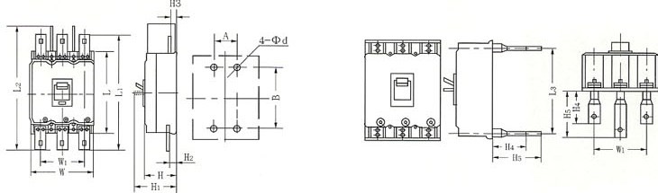
外形尺寸

板前连接

板后连接

W

L

H

W1

L1

L2

H1

H2

H3

W1

L3

H4

H5

DZ20Y-100

105

165

86.5

70

-

215

103

26.5

26.5

70

147

55.5

55.5

DZ20J-100

DZ20G-100

140

218.5

156.5

80.5

140.5

DZ20C-160

108

155

84

?

-

-

106.5

34

34

70

212.5

64

64

DZ20Y-225

108.5

256.5

105

70

326.5

402

142

19.5

19.5

70

47

90

DZ20J-225

108.5

DZ20G-225

108.5

187

227

38

103.5

100

DZ20C-250

109

208

105

70

298

-

142

13.5

13.5

70

219

75

128

DZ20Y-400

155

276

116

102

391

149.5

26.5

26.5

102

247

80

125

DZ20C-400

DZ20J-400

210

268

108

140

367

-

147

21.5

21.5

140

233

90

90

DZ20G-400

208

394

247

75

121.5

85

119

DZ20Y-630

108

-

147

21.5

21.5

90

90

DZ20J-630

DZ20Y-1250

212

393

142

140

559

-

216

31

31

140

325

124

184

?

如果你希望了解DZ20塑料外壳式断路器的更多内容,如价格,使用说明,维修等相关,请联系我们!

上一个: DZ15LE漏电断路器 下一个: DZ20LE漏电断路器