工作原理
电涌保护器在正常情况下,呈现高阻状态。当电网线路遭受间接 雷电或直接雷电影响其瞬时过电压时,电涌保护器在纳秒级时间内实 现低阻导通,将瞬态能量泄放到大地,同时将过电压限制在一定的保 护水平。当瞬态过电压消失后,电涌保护器恢复高阻状态。
电涌保护器正常工作条件
4.1频率:电源的交流频率在48Hz?62Hz。
4.2电压:持续加在电涌保护器接线端子的电压不应超过其最大持续工 作电压Uc值。
4.3海拔:海拔不应超过2000m。
4.4使用和储存温度:
4.4.1 正常范围:-5°C?+40°C。
4.4.2 极限范围:-40°C?+70°C。
4.5湿度:相对湿度在室湿下应在30%和90%之间。
4.6安装处应无明显冲击和震动。
4.7安装时,与垂直面的倾斜角度不超过5°
5.1电涌保护器主要技术参数见表1、表2。
5.2防护等级:IP20。
5.3?本产品执行GB18802.1-2002/IEC61643-1?标准。
5.4试验类别:II级试验。
表1
|
型号 |
电网 |
最大持 续工作 电压 Uc(V) |
最大放 电电流 Imax(kA) |
标称放 电电流 In(kA) |
保护 模块 颜色 |
建议 |
建议 导线 |
连接 线径 |
口向应 时间 t(ns) |
|
运行 电压 Ue(V) |
保险丝?或熔断?器(A) |
相线、 零线 2 mm |
地线 mm2 |
||||||
|
CRP1-D |
10 |
5 |
黄 |
10??16 |
硬线 2.5??10 |
双色 2.5?10 |
<25 |
||
|
CRP1-D |
20 |
10 |
|||||||
|
CRP1-C |
220 380 |
30 |
15 |
白 |
16??20 |
硬线 4?16 |
双色 4?16 |
||
|
CRP1-C |
420 |
40 |
20 |
||||||
|
CRP1-B |
60 |
30 |
红 |
40??63 |
硬线?6?25 |
双色?6?25 |
|||
|
CRP1-B |
80 |
40 |
|||||||
|
CRP1-B |
100 |
60 |
表2
|
类型 |
电网运行?电压Ue |
最大持续工?作电压Uc |
电压保护水平Up?(kV) |
接地系统 |
|||
|
In=20/10/5kA |
In=60/40/30kA |
||||||
|
1P |
220V |
420V |
1.8 |
2.4 |
2.2 |
TN-C/IT |
|
|
2P |
TN/TN-S/IT |
||||||
|
3P |
380V |
420V |
2.0 |
1.8 |
TN-C/IT |
||
|
4P |
TT/TN-S/IT |
||||||
|
1P+N |
220V |
420V |
TT/TN-S/IT |
||||
|
2P+N 3P+N |
380V |
420V |
|||||
?
注:Uc=275V,320V,385V等可特殊供货。
失效脱离装置
6.1电涌保护器的保护模块上设有失效脱离装置,当保护器过热、击穿时,?失效脱离装置能自动的将其从电网上脱离,同时给出指示信号。保护器正?常时显示绿色,失效脱离后标牌显示红色,并显示“劣化”?二字。电涌保?护器模块可在工作电压情况下更换。
7.1电涌保护器安装方式为户内固定式。
7.2采用35mm导轨安装。
7.3电涌保护器接线端子与相线和零线的连线长度应小于0.5m?,电涌保护?器接地线的长度应小于1m,且应就近接地。
7.4为了防止电涌保护器失效后影响电网正常运行,联于相线、N线的电?涌保护器应串联熔断器或断路器,断路器的短路分断电流应大于或等于最?大放电电流Imax。
7.5部分安装图示见图1?图4。
图1:?TN-C系统安装示意图
L=5m-10m???????L=5m-10m
图2:?TN-S系统安装示意图
?
L=5m-10m????L=5m-10m
图3:?TT系统安装示意图
图4:?IT系统安装示意图
??????L=5m-10m??????????L=5m-10m
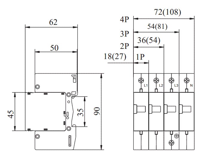
外形安装尺寸图5-图7
注:
In5KA-20KA,1P尺寸为 18mm; In30KA-60KA,1P 尺寸为 27mm。
九、维护
电涌保护器在运行中,要定期查看保护模块指示窗口的工作状态,绿 色表示产品处于正常状态,当显示红色,并能看到“劣化”二字时,表示 出现故障,应立即更换模块。
十、订货须知
10.1订货时应标明产品型号、标称放电电流In、最大持续工作电压Uc、极
数、台数。
例如:电涌保护器标称放电电流20kA,最大持续工作电压420V,4极,100
台。
可写成 CRP1-C In20kA.Uc420V.4P.100台。

