
产品特点 :
功能多:普通型具有剩余电流、辅助电源欠压、过电流、短路的保护功能。还有自动重合闸、剩余电流显示、动作状态指示等实用功能。
2.抗干扰能力强:本漏电断路器采用先进的抗雷电残压电路,配置了高强度瞬态抑制器(TVS),能有效抗击雷电感应,消除各种尖端干扰,运行稳定可靠。
3.分断高:本漏电断路器采用CM1塑壳断路的底座机芯结构具有结构紧凑,分断能力强的特点。
4.信息量大:正常运行时数码轮流显示实时每相负荷电流、线路剩余电流及量大相;相当于一个配电盘。跳闸时显示(锁定)动作电流值及用指示灯显示跳闸原因。为查找故障提供方便。
5.智能化:采用单片微处理器组成的智能化控制电路,动作准确精度高;过电流保护采用电子式可设定,可根据实际现场调整过电流整定值;并且受环境温度影响小。
6.可通讯:可通讯型产品与GPRS通讯模块连接,可向管理人员的手机发送运行状态的短信。(通讯型的操作说明另附)
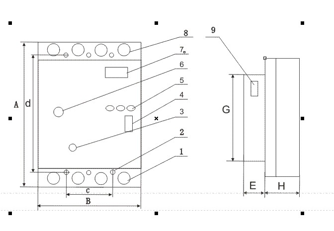
7.面板功能及外形、安装尺寸见图
1-出线端子 2-安装螺孔 3-手动合闸
4-电源开关 5-功能按钮 6-分、合闸显示窗
7-数码显示窗 8-电源进线端子
9-外接分闸/复位端子及通讯端子
外形、安装尺 单位:mm
|
规格 |
外形尺寸 |
安装尺寸 |
|||||
|
A |
B |
E |
H |
G |
c |
d |
|
|
100A |
230 |
121 |
48 |
62 |
170 |
60 |
210 |
|
250A |
240 |
142 |
48 |
83 |
179 |
70 |
202 |
|
400A |
336.5 |
197.5 |
87 |
99 |
274 |
95 |
274 |
|
630A、800A |
355 |
240 |
88 |
111 |
269 |
116 |
285 |
1.周围空气温度:-5℃+40℃
2.湿度:最高温度为+40℃时,空气的相对湿度不超过50%,20℃时允许达90%;并考虑到因温度变化偶尔发生在产品表面上的凝露。
3.海拔不超过:2000米
4.污染等级:3级
5.安装类别:Ⅲ
6.电源正弦波畸变小于5%
2.7.安装场所在外磁场在任何方向不超过地磁场的5倍。无爆炸性、腐蚀性气体;无雨雪侵袭;干燥、通风。
1、安装前,把漏电断路器的电源开关处于"分"位置!分合闸指示窗内显示红色"分"!
2、漏电断路器应垂直安装,用螺钉通过安装孔固定。
3、用户根据负荷选择合适的导线,把主电路导线接入漏电断路器(须配接铜接头)。漏电断路器的上接线端"1""3""5""N"为主电路的电源端,下接线端"2""4""6""N"为负荷出线端。电源中性线,(零线)必须接在漏电断路器最右边"N"端子。
4、漏电断路器闭合操作
a)把漏电断路器上的电源开关处于"合"的位置。数码显示、"电源指示"灯亮,电动合闸机构开始合闸。20s-60s钟后,自动闭合漏电断路器,分合指示窗内显示绿色的"合"。
b)如果漏电断路器处于断开状态,不闭合漏电断路器的电源开关,可用配置的内六角螺丝扳手插入"手动分合闸"的螺孔内,顺时针方向旋转扳手,直至合闸,分合指示窗内显示绿色的"合"。(在合闸电动机损坏的情况下使用,正常情况下使用,正常情况一般无须操作。)
c)当漏电断路器闭合正常运行时,短接外部"分闸/复位"接端子4、5.漏电断路器跳闸,断开外部接线端子的4、5,则漏电断路器重新自动合闸。分合指示窗内显示绿色的"合"。
5、漏电短路器断开操作
漏电断路器在不通状态下的断开操作:把内六角螺丝扳手插入"手动分合闸"的螺孔内,顺时针方向旋转扳手,直至分合指示窗内显示红色的"分"。
漏电断路器在通用合闸状态下的断开操作:
a)按动"试跳"按钮,漏电断路器即跳闸;分合指示窗内显示红色的"分";"跳闸指示"、"漏电故障"二个指示灯同时亮(会有一次自动重合闸)。
b)短接分闸/复位"外部接线端子4、5"。?漏电断路器跳闸,分合指示窗内显示红色的"分","跳闸指示"灯亮。
6、设定
a)剩余动作电流与分断时间设定
合闸后,连续按动"功能"按钮,当第4排动作电流值75、150、300、500(mA)指示灯其中一个闪亮;就进入动作电流值的设定状态;再按动"设置"按钮,四个指示灯会轮流闪亮,可选择适合线路实际的动作值。这时长按"设置"按钮,"漏电故障"指示灯闪亮,自动跟踪功能启用。
按动"功能"按钮,当第3排分断时间0.3s、0.5s二个指示灯其中一个闪亮,进入分断时间的设定状态,再按动"设置"按钮选择适合分级保护目前安装位置的分断时间。
b)负荷电流(过电流保护值)设定
合闸后,按动"功能"按钮,直至第2排四个指示灯(四个过电流保护值)其中一个闪亮,进入负荷电流设定状态;再按动"设置"按钮,根据现场实际情况设定合理的过电流保护值。
c)告警设定
在不允许停电场合使用或需要通电检查接地故障时,可经过供电管理部门同意,使用告警功能。
长按"设置"按钮,直到"告警启动"指示灯亮,告警功能启用。这时剩余电流动作保护功能退出。剩余电流超过断路器的最高动作值,"漏电故障"?指示灯亮,断路器不跳闸。按住"设置"按钮,直至"告警启动"指示灯熄灭,告警功能关闭,剩余电流动作保护启用。
7、合闸5秒后,按"试跳"按钮,漏电断路器应跳闸,并在60秒钟内自动重合闸。当重合闸5秒后再按动试验按钮,又会跳闸并有重合闸。若合闸后,在5秒钟内又按"试跳"按钮或其它原因发生漏电跳闸,这时漏电断路器将保持自锁状态,并不再自动重合闸。
8、当剩余电流超过剩余动作电流值时,漏电断路器应立即跳闸,并有一次重合闸,如合闸后剩余电流仍超过动作值,则立即再次跳闸并自锁,不再自动重合闸。排除故障后,关、合一次漏电断路器的电源开关,重新电动闭合漏电断路器。
9、过电流、短路跳闸,"过流故障"指示灯亮,这时没有自动重合闸,排除短路故障后,关、合一次漏电断路器的电源开关,重新电动闭合漏电断路器。
10、欠电流跳闸:漏电断路器"电源指示"灯亮并闪烁;表示电源电压不正常,必须使三相电压恢复正常,"电源指示"灯停止闪烁后,此时漏电断路器自动重合闸。恢复正常运行。
外部接线端子4、5短接,漏电断路器跳闸,断开4、5,漏电断路器自动合闸。用户如选择远距离控制漏电断路器的分闸、合闸,可配置一个带自锁的按钮,按钮的常开触点的二端直接接漏电断路器外部接线端子的4和5即可。远距离控制自锁按钮按下时,漏电断路器跳闸,再按动一次,使按钮弹起,漏电断路器自动合闸。
注意:外接控制接线端子为有源端子,漏电断路器的外部接线端子与自锁钮之间的连接不得接入任何其他电源!否则会损坏漏电断路器。
显示:
漏电断路器的指示灯位于显示窗下方,与数码显示数值的含义对应:
1、漏电断路器正常工作时,"电源指示"灯亮,剩余动作值档位在第3排有相应的75、150、300、500指示灯其中一个亮;同进第2排相应的动作时间0.3s、0.5s指示灯其中一个亮。第1排相应的过电流保护值四个指示灯中一个(设定值)指示灯亮。
数码循环显示线路实时剩余电流(L***);实时每相负荷电流(A***、B***、C***)。
2、当漏电断路器的自动跟踪定档功能启用时,"漏电故障"指示灯亮并闪烁。
3、当漏电断路器的告警功能启用时,"告警启动"指示灯亮,此时,剩余电流超限不跳闸。
4、跳闸显示
a)当漏电断路器剩余电流超限跳闸时,"漏电故障"、"跳闸指示"灯亮。数码显示超限的动作电流值及最大相。如:显示345,再显示-CC-,则表示本次跳闸为剩余电流跳闸,故障剩余电流345mA,C相最大漏电引起。
b)当漏电断路器过电流、短路跳闸时蘑"过流故障"、"跳闸指示"灯亮。数码显示过电流、短路故障电流值。如:显示A560或FFF,则表示本次跳闸为过电流、短路电流跳闸,故障电流A相560A引起;FFF则表示短路电流已经超出999A。
c)当漏电断路器发生辅助电源欠压跳闸时,"跳闸指示"灯亮,"电源指示"灯闪烁。数码显示电源当前跳闸电压值。如:U160,则表示本次跳闸为电源故障,电压下降到160V时跳闸。如果辅助电源恢复正常,则"电源指示"灯停止闪亮,
漏电断路器自动合闸。
d)当漏电断路器因外部接线端子控制跳闸时,"跳闸指示"灯亮。数码显示"====",则表示是外部接线端子(或远程控制按钮)4、5短接引起的跳闸。
CRZM1LE智能剩余电流动作断路器
附录:
剩余电流动作断路器——自动跟踪定档功能的说明
CRZM1LE可合理地根据季节和天气晴雨变化原因引起线路剩余电流变化而自动确定适当的动作值档位的特点,当线路发生危险的接地故障漏电时,使保护装置在理想的动作值档位下动作,解决了使用管理上的难题,有利于较大地提高剩余电流保护装置的投运率和可靠性,提高对供电线路的安全运行性能。
□固定分档和自动跟踪定档
每台漏电断路器的固定手动分档漏电动作值Ⅰ△n分为:75、150、300、500mA四档每个漏电断路器的自动跟踪定档的漏电动作值档位与固定分档的档位一致。即75、150、300、500mA四档。
自到跟踪定档功能的启用步骤:
安装完毕,确认接线无误后,闭合漏电断路器电源开关,数码显示亮,按住"设置"按钮,直到"漏电故障"指示灯停止闪烁,既推出自动跟踪定档功能;
断路恢复后有记忆功能,仍会自动启用该功能。
当自动跟踪定档功能启用后,如果漏电超过设定档位,漏电断路器即跳闸,跳闸后20s~30s钟能自动重合闸,若重合闸后5s钟内因漏电仍超限而再次跳闸,跳闸后则闭锁不再重合闸。
□自动跟踪定档的工作模式
当漏电断路器处于自动跟踪定档工作模式时,开机后先置于最高档位,然后测出线路的实际漏电,并根据线路中漏电的实际漏电及变化情况来自动调升或降低动作档位,实现漏电动作值的自动跟踪定档功能。使漏电断路器在最理想的漏电动作值下运行。
□线路剩余电流的变化与自动跟踪定档
当漏电断路器处于自动跟踪定档工作模式时,以最高档500mA,线路初始的实际漏电为50mA为例:
*开机后,漏电断路器会自动把档位设定在最高档。漏电断路器对线路进行漏电检测,并在数码管上显示:约一分钟,动作档位自动下降75mA档。
*若线路漏电突然增加并超过75mA,漏电断路器则马上跳闸,并且在20s~30s钟内自动重合闸,重合闸后如线路漏电小于75mA,则合闸成功正常投运。重合闸后如线路漏电仍大于75mA,漏电断路器则再次跳闸并闭锁,不再重合闸。
*若线路漏电缓慢增加在50mA~120mA间变化保持1分钟以上,漏电断路器的动作值档位就自动调升到Ⅰ△N=150mA档。若线路漏电继续缓慢增加,增加到160mA~280mA间变化保持1分钟以上,断路器的动作值就又自动太高到Ⅰ△?N=300mA档。依次类推,一直变换到接近或等于手动分档的最高档位为止。
*如果最后漏电断路器的自动跟踪定档位已处于最高档,但线路的剩余电流缓慢下降,那么动作值就自动下降,随着实际剩余电流的不断缓慢下降,档位会一直讲到最低档75mA为止。禁止擅自打开漏电断路器,保护好合格证。如仿伪标签破损的漏电断路器(开启过),产品质量问题自负。
□漏电断路器对相线与相线、相线与零线之间发生漏(触)电事故不能保护。
□漏电断路器负载侧一下的零线不能重复接地,被保护线路的任何线不能与其他线路混用。
□作总保时,原有用电设备保护接零必须撤除,改为保护接地。
□导线必须与铜接头连接后才能接入漏电断路器接线端子,禁止铝导线直接进接线端子。
□漏电断路器因安装和使用不当引起的非质量问题和接线端子因接触不良过热损坏等,不能退换,本公司可负责维修,费用用户自理。
□漏电断路器正常使用中,按GB13955-2005《剩余电流动作保护装置安装和运行》的要求,定期,不定期对试验按钮进行试跳,并记录。
□产品安装前,严禁对A相与N线(电源进线端左边第1桩和右边第1桩)进行工频耐压测试或兆欧表(摇表)进行测试。否则会损坏漏电断路器内部的电子电路。
订货须知:
用户订货时请说明产品型号、额定电流、额定剩余电流动作值、功能代号、订货数量。
如:需订货CRZM1LE-250剩余电流动作值75/150/300/500mA标准型100台。
用户如果有特殊要求,请与本公司联系,协商订货。
故障分析排除:
|
故障类别 |
故障现象 |
原因分析 |
排除方法 |
|
不 |
合电源开关、数码不显示 |
漏电断路器已坏 |
调换漏电断路器 |
|
合电源开关、数码显示亮,不能自动合闸 |
电机坏机构卡住 |
||
|
机电运转,但不能合闸 |
电操机构坏 |
||
|
"电源指示灯"闪烁,不能合闸 |
电源不正常 |
检查三相四线电压 |
|
|
合闸后马上跳闸,数码显示电流值超限 |
线路或负载漏电太大,或零线重复接地,或线路混用 |
检查线路及用电设备 |
|
|
按试验按钮跳闸后没有重合闸 |
按试验按钮距合闸时间太短,引起漏电断路器自锁 |
按试验按钮必须等合闸5秒后再按 |
|
|
拒 |
按试验按钮,不跳闸 |
主回路电压过低 |
检查线路 |
|
漏电断路器已坏 |
调换漏电断路器 |
||
|
按试验按钮能跳闸实地灯泡试验不跳闸 |
配电变压器中性点接地线没接地或接触不好 |
检查中性点接地线或测量接地电阻是否符合要求 |
|
|
试验电流达不到动作电流值 |
增大试验灯泡的功率或检查接地是否良好 |
||
|
如遇其他故障,敬请与本公司联系,本公司会尽快给您指导答复或派人员前来解决。 |
|||

